Flammulaster carpophiloides
Flammulaster carpophilus (Fr.) Earle ex Vellinga, Persoonia 13(1): 7 (1986)
Home
zurück
H.H. keulig- ellipsoid
und dünnere z.T. inkrustierte Hyphen
Cheilozystiden flaschenförmig
Kaulozystiden
Basidien
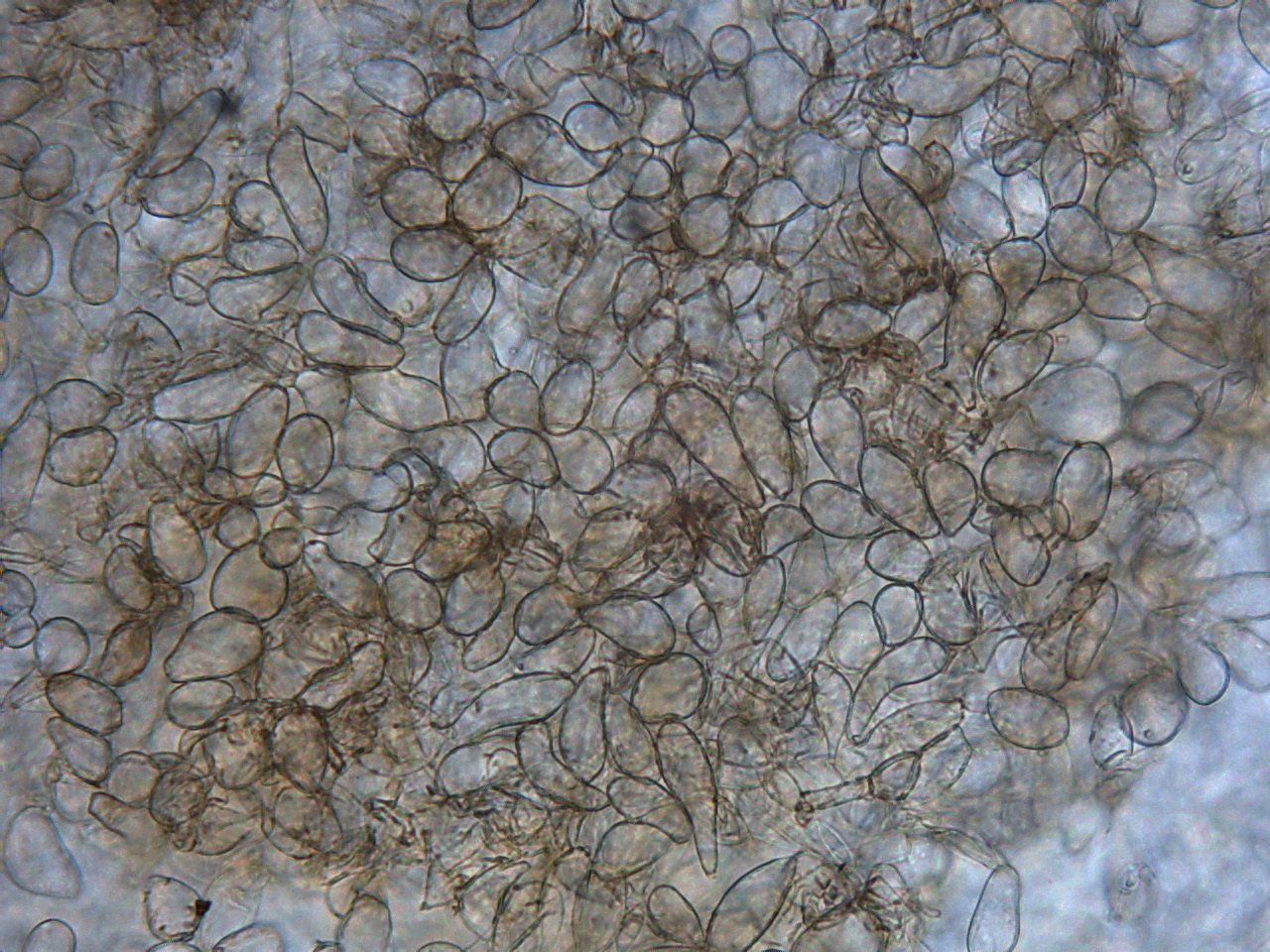
Sporen: 7,5 - 9,4 x 5,4 - 6,3 µm
Flammulaster ferrugineus
Flammulaster granulosus
Flammulaster limulatus
.
Flammulaster wieslandri
.
Gefunden: am 12.12.2023 in Mönchengladbach, MTB 4004/4 Odenkirchen, an Rind und Moos von Laubbaum
leg. H.Bender, det. H.Bender